Tervuren Xylarium Wood Database
Search |
Browse |
More information |
Contact persons
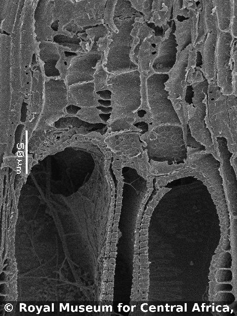
Tw38609
Species:
Parkia bicolor
A. Chev.
View taxon:
SN9080

Taxon lower than:
Familia:
Fabaceae
Subfamilia:
Mimosoideae
Herbarium number:
2161
Wood number:
Sample form:
Branch
Density:
0.67
Pictures
Microscopic slides

Transversal section:
1
Tangential section:
1
Radial section:
1
Maceration:
No
Origin
Collector:
Louis, Jean Laurent Prosper
Continent:
Africa
Country:
Congo, Dem. Rep.
Region:
Haut-Congo
Locality:
Yangambi
Locality on Google Maps:
Entry date: