Tervuren Xylarium Wood Database
Search |
Browse |
More information |
Contact persons
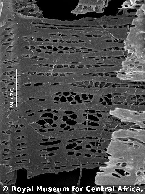
Tw32298
Species:
Ficus spec.
View taxon:
SN5420


Taxon lower than:
Familia:
Moraceae
Subfamilia:
Herbarium number:
1768
Wood number:
Sample form:
Wood block
Density:
0.58
Pictures
Microscopic slides

Transversal section:
1
Tangential section:
1
Radial section:
1
Maceration:
No
Origin
Collector:
Donis, Camille Albert
Continent:
Africa
Country:
Congo, Dem. Rep.
Region:
Bas-Congo
Locality:
Locality on Google Maps:
Entry date: