Tervuren Xylarium Wood Database
Search | 
Browse | 
More information | 
Contact persons 
            
                
            
              
                                  
            
              
                        
  
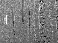
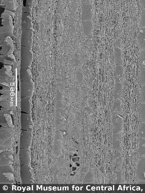
  Tw41365
                Species:
                                 
                   Mallotus spec. 
                   
                 
                              
                    
              
                View taxon:
                                 
                   
                      SN7656
                   
                                                                
                                     
                               
               
                                     
                               
                Taxon lower than:
                    
              
            
              
                  Familia:               
                                    Euphorbiaceae 
                                    
                  Subfamilia:               
                                     
                                
                Herbarium number:
                    
              
            
              
                Wood number:
                    
              
              
              
                Sample form:
                Branch    
              
              
              
                Density:
                 0.49     
              
              
              
            
              Pictures
              
                
                                     
           
                    
                        
                      
              Microscopic slides    
              
                  
 
           
              
                Transversal section:
                1
              
              
                Tangential section:
                1
               
              
                Radial section:
                1
               
              
                Maceration:
                
                                      No
                    
                
              
            
              Origin
              
          
          
                Collector:
                Wagemans, Jean  
              
              
                Continent:
                Africa
              
              
              
                Country:
                Congo, Dem. Rep.
              
              
              
                Region:
                Bas-Congo
             
              
              
                Locality:
                
              
              
                Locality on Google Maps:
                              
          
            Entry date:
            
          
                
 
                               
                               
                               
                               
                               
                               
                               
                               
                               
                               
                               
                               
                               
                               
                               
                               
                               
                               
                               
                               
                               
                               
                               
                               
                               
                               
                               
                               
                               
                               
                               
                               
                               
                               
                               
                               
                               
                              